NS0-520 試験問題 11
お客様は、FCをサポートするために、AFF_1のポート0eおよび0fを変更する必要があります。
展示品を参照すると、このタスクを実行するために必要な3つのステップはどれですか。(3つ選択してください。)
展示品を参照すると、このタスクを実行するために必要な3つのステップはどれですか。(3つ選択してください。)
NS0-520 試験問題 12
[展示]ボタンをクリックします。

展示を参照すると、Red HatEnterpriseLinuxでNVMeをサポートするようにSVMを構成するために必要な2つの構成要素はどれですか。(2つ選択してください。)

展示を参照すると、Red HatEnterpriseLinuxでNVMeをサポートするようにSVMを構成するために必要な2つの構成要素はどれですか。(2つ選択してください。)
NS0-520 試験問題 13
FabricPoolを使用するクラスターの可用性が高いことを確認する必要があります。
このタスクを実行するには何が必要ですか?
このタスクを実行するには何が必要ですか?
NS0-520 試験問題 14
展示を参照すると、AFFA700にSANLUNがあり、SSDシェルフスタックの障害をテストするように求められます。
ストレージフェイルオーバーが発生する前に、コントローラーごとにシェルフスタックへの障害が発生したパスの最大許容数はいくつですか?
ストレージフェイルオーバーが発生する前に、コントローラーごとにシェルフスタックへの障害が発生したパスの最大許容数はいくつですか?
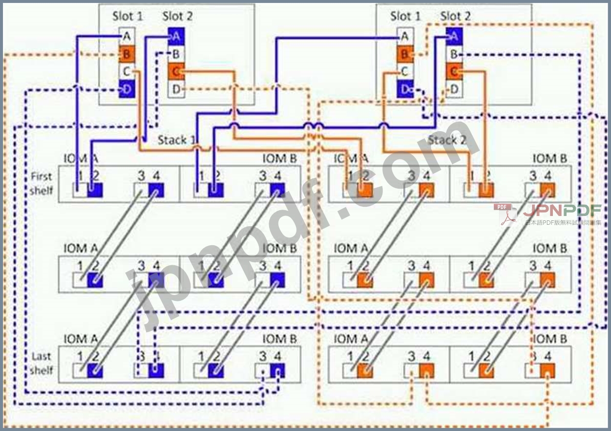
NS0-520 試験問題 15
[展示]ボタンをクリックします。

お客様は、スペースが不足しているAFF A7002ノードクラスターのトラブルシューティングを行っています。さらに2つのシェルフを追加する必要があります。1つはスタック1に、もう1つはスタック2にシェルフを追加します。
展示品を参考にすると、ケーブルは何本必要ですか?

お客様は、スペースが不足しているAFF A7002ノードクラスターのトラブルシューティングを行っています。さらに2つのシェルフを追加する必要があります。1つはスタック1に、もう1つはスタック2にシェルフを追加します。
展示品を参考にすると、ケーブルは何本必要ですか?
